深圳市人才流动中心有限公司

深圳市人才流动中心有限公司
  • 报名考试系统入口
  • 报名培训系统入口
  • 人才招聘
  • 网站地图
  • 联系我们
  • 首页
  • 公司介绍
    公司简介 荣誉资质 团队风采
  • 新闻资讯
    通知公告 公司动态 政策法规
  • 考试测评部
    部门简介 服务项目 业务公告 业务指南 资料下载 联系方式
  • 培训发展部
    业务范围 师资团队 联系方式 部门介绍
  • 优才公司
  • 经理人协会
    协会简介 协会章程
  • 党团建设
  • 新闻资讯
  • 通知公告
  • 公司动态
  • 政策法规
当前位置:首页 >> 新闻资讯 >> 通知公告
分享到:

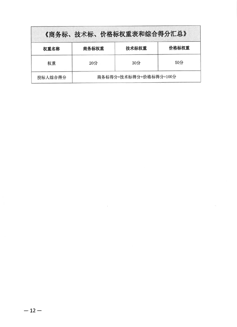
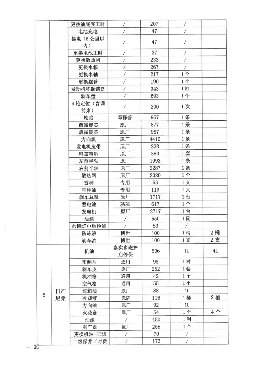
深圳市人才流动中心有限公司关于公开招标车辆定点维保服务项目的公告

2024-06-17 11:41:55 233

图片关键词

图片关键词

图片关键词

图片关键词

图片关键词

图片关键词

图片关键词

图片关键词

图片关键词

图片关键词

图片关键词

图片关键词

图片关键词

图片关键词图片关键词

  • 上一篇 : 深圳市人才流动中心有限公司关于网络宽带和电话资费服务项目采购结果公示
  • 下一篇 : 深圳市人才流动中心有限公司关于车辆定点维保服务项目公开招标采购的废标公告
深圳市人才流动中心有限公司

地址:深圳市龙岗区龙城街道黄阁坑社区龙飞大道333号启迪协信5栋A座1001

邮编:518172

人才流动中心
微信公众号

考试评测部
微信公众号

优才人力资源
微信公众号

培训发展部
微信公众号

Copyright © 2019 深圳市人才流动中心有限公司 All rights reserved. 粤ICP备19136678号 深圳市场监督